Telecom


  • Rooftop Type
  • Water Tower
  • Lease Sketch
Project type

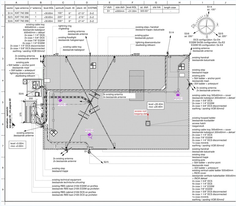
As-built: Rooftop type with 3 Dual band antennas. Safety equipment used are 1x soll ladder, 1x anchor point / sector on main page.

Input

As-built Report, Site Visit Photo, Kick – off Photo, BSDS, RF Test Report, Stability.

Output

North Direction, Antenna Dimension, Antenna Height and Azimuth, Radio Configuration, Cabinet Model and Position, Tower Type & Dimension, Mini Link size & Level, Coase Size, Antennas Detail Fixation, Cabinet Detail Fixation, Earthing Scheme, Radio Scheme.


Input
Output
Project type

As-built: Water tower with 3 Dual band Antennas. Safety equipment used are 1x soll ladder, 1x anchor point / sector on mast.

Input

As-built Report, Site Visit Photo, Kick – off Photo, BSDS, RF Test Report, Stability.

Output

North Direction, Antenna Dimension, Antenna Height and Azimuth, Radio Configuration, Cabinet Model and Position, Tower Type & Dimension, Mini Link size & Level, Coase size, Antennas Detail Fixation, Cabinet Detail Fixation, Earthing Scheme, Radio Scheme.


Input
Output
Project type

Lease Sketch: Rooftop with 4 single band Antennas.

Input

Technical Review Report and Stability, Sketch, Site photo, Health and Safety photo.

Output

North Direction, Antenna Dimension, Antenna Height and Azimuth, Radio Configuration, Cabinet Model and Position, Tower Type & Dimension, Mini Link Size & Level, Mini Link Fixation & Direction, Cabinet Dimension, Coax Routing, Safety Rings in Monopole Sight.


Input
Output

Input
Output

Copyright @ , Girbaa Tech Solutions Inc. | All Rights Reserved. Designed by Pixel Studios